Тесты онлайн, бесплатный конструктор тестов. Психологические тестирования, тесты на проверку знаний.
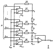
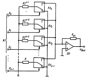
Список вопросов базы знанийСхемотехникаВопрос id:2246108 Тема/шкала: 0647.03.01;МТ.01;1 - Модульный тест - Схемотехника На рисунке изображена обратная связь: ![]() ?) по напряжению ?) обратная связь отсутствует ?) по току ?) комбинированная Вопрос id:2246109 Тема/шкала: 0647.03.01;МТ.01;1 - Модульный тест - Схемотехника На рисунке изображена обратная связь: ![]() ?) по току ?) по напряжению ?) обратная связь отсутствует ?) комбинированная Вопрос id:2246110 Тема/шкала: 0647.03.01;МТ.01;1 - Модульный тест - Схемотехника На схеме изображен ![]() ?) интегратор ?) дифференциальный усилитель ?) фильтр низких частот ?) фильтр высоких частот Вопрос id:2246111 Тема/шкала: 0647.03.01;МТ.01;1 - Модульный тест - Схемотехника На схеме изображен АЦП ![]() ?) параллельный ?) с единичным приближением ?) последовательный ?) последовательно-параллельный Вопрос id:2246112 Тема/шкала: 0647.03.01;МТ.01;1 - Модульный тест - Схемотехника На схеме изображен АЦП: ![]() ?) с единичным приближением ?) последовательно-параллельный ?) интегрирующий ?) с промежуточным преобразованием в интервал времени Вопрос id:2246113 Тема/шкала: 0647.03.01;МТ.01;1 - Модульный тест - Схемотехника На схеме изображен АЦП ![]() ?) с промежуточным преобразованием в интервал времени ?) с единичным приближением ?) интегрирующий ?) с двоично-взвешенным приближением Вопрос id:2246114 Тема/шкала: 0647.03.01;МТ.01;1 - Модульный тест - Схемотехника На схеме изображен АЦП ![]() ?) с единичным приближением ?) последовательно-параллельный ?) с двоично-взвешенным приближением ?) параллельный Вопрос id:2246115 Тема/шкала: 0647.03.01;МТ.01;1 - Модульный тест - Схемотехника На схеме изображен ЦАП: ![]() ?) с матрицей R-2R с суммированием напряжений ?) с источниками тока на активных элементах ?) с двоично-взвешенными сопротивлениями ?) с матрицей R-2R с суммированием токов Вопрос id:2246117 Тема/шкала: 0647.03.01;МТ.01;1 - Модульный тест - Схемотехника На схеме изображен ЦАП: ![]() ?) с матрицей R-2R с суммированием токов ?) с источниками тока на активных элементах ?) с матрицей R-2R с суммированием напряжений ?) с двоично-взвешенными сопротивлениями Вопрос id:2246118 Тема/шкала: 0647.03.01;МТ.01;1 - Модульный тест - Схемотехника На схеме изображен: ![]() ?) полосовой фильтр ?) фильтр низких частот ?) фильтр высоких частот ?) интегратор Вопрос id:2246119 Тема/шкала: 0647.03.01;МТ.01;1 - Модульный тест - Схемотехника На схеме изображен: ![]() ?) инвертирующий усилитель ?) повторитель напряжения ?) дифференциальный усилитель ?) неинвертирующий усилитель Вопрос id:2246120 Тема/шкала: 0647.03.01;МТ.01;1 - Модульный тест - Схемотехника На схеме изображен: ![]() ?) Компаратор ?) ограничитель ?) фильтр низких частот ?) инвертирующий усилитель Вопрос id:2246121 Тема/шкала: 0647.03.01;МТ.01;1 - Модульный тест - Схемотехника На схеме изображен: ![]() ?) дифференциальный усилитель ?) аналоговый перемножитель ?) аналоговый коммутатор ?) двоенный компаратор Вопрос id:2246122 Тема/шкала: 0647.03.01;МТ.01;1 - Модульный тест - Схемотехника На схеме изображен: ![]() ?) выходной каскад ОУ ?) входной каскад ОУ ?) аналоговый ключ ?) схема перехода симметричного входного каскада к несимметричному выходу Вопрос id:2246123 Тема/шкала: 0647.03.01;МТ.01;1 - Модульный тест - Схемотехника На схеме изображен: ![]() ?) инвертирующий усилитель ?) дифференциальный усилитель ?) неинвертирующий усилитель ?) повторитель напряжения Вопрос id:2246124 Тема/шкала: 0647.03.01;МТ.01;1 - Модульный тест - Схемотехника На схеме изображен ![]() ?) инвертирующий усилитель ?) фильтр низких частот ?) интегратор ?) дифференциальный усилитель Вопрос id:2246125 Тема/шкала: 0647.03.01;МТ.01;1 - Модульный тест - Схемотехника На схеме изображен ![]() ?) инвертирующий усилитель ?) ограничитель напряжения ?) компаратор ?) интегратор Вопрос id:2246129 Тема/шкала: 0647.03.01;МТ.01;1 - Модульный тест - Схемотехника На схеме изображен ![]() ?) повторитель напряжения ?) инвертирующий усилитель ?) интегратор ?) дифференциальный усилитель Вопрос id:2246130 Тема/шкала: 0647.03.01;МТ.01;1 - Модульный тест - Схемотехника Наибольшее отклонение выходного сигнала ЦАП от прямой линии абсолютной точности определяет: ?) нелинейность ?) абсолютную погрешность ?) дифференциальную нелинейность ?) немонотонность Вопрос id:2246131 Тема/шкала: 0647.03.01;МТ.01;1 - Модульный тест - Схемотехника Наибольшим быстродействием обладают АЦП: ?) параллельные ?) интегрирующие ?) последовательно-параллельные ?) с двоично-взвешенным приближением Вопрос id:2246132 Тема/шкала: 0647.03.01;МТ.01;1 - Модульный тест - Схемотехника Неравномерная дискретизация вводится с целью: ?) уменьшения длины кода ?) минимизации ошибки квантования ?) сокращения избыточной информации ?) уменьшения шума квантования Вопрос id:2246133 Тема/шкала: 0647.03.01;МТ.01;1 - Модульный тест - Схемотехника Основной характеристикой ЦАП является: ?) быстродействие ?) минимальное значение входного сигнала ?) разрешающая способность ?) максимальное значение входного сигнала Вопрос id:2246134 Тема/шкала: 0647.03.01;МТ.01;1 - Модульный тест - Схемотехника Основным узлом параллельных АЦП является: ?) ограничитель ?) неинвертирующий усилитель ?) компаратор ?) ЦАП Вопрос id:2246135 Тема/шкала: 0647.03.01;МТ.01;1 - Модульный тест - Схемотехника Отклонение значения входного напряжения АЦП от значения, определяемого по линеаризованной ХП, называется: ?) статической погрешностью АЦП ?) немонотонностью ХП ?) динамической погрешностью АЦП ?) нелинейностью ХП Вопрос id:2246136 Тема/шкала: 0647.03.01;МТ.01;1 - Модульный тест - Схемотехника Отклонение значения выходного напряжения ЦАП от номинального расчетного называется: ?) абсолютной погрешностью ?) немонотонностью ?) инструментальной погрешностью ?) нелинейностью Вопрос id:2246137 Тема/шкала: 0647.03.01;МТ.01;1 - Модульный тест - Схемотехника Отношение числа элементов функционального узла к его объему характеризует: ?) уровень миниатюризации ?) надежность ?) экономичность ?) степень интеграции Вопрос id:2246138 Тема/шкала: 0647.03.01;МТ.01;1 - Модульный тест - Схемотехника ОУ относятся к усилителям: ?) логарифмическим ?) экспоненциальным ?) интегрирующим ?) линейным Вопрос id:2246139 Тема/шкала: 0647.03.01;МТ.01;1 - Модульный тест - Схемотехника Ошибку квантования принято считать случайной величиной с законом распределения: ?) нормальным ?) экспоненциальным ?) равномерным ?) Гаусса Вопрос id:2246140 Тема/шкала: 0647.03.01;МТ.01;1 - Модульный тест - Схемотехника Погрешности АЦП, вызванные технологией изготовления аппаратуры, проявляются как: ?) статические погрешности ?) апертурная погрешность ?) динамические погрешности ?) нелинейность Вопрос id:2246141 Тема/шкала: 0647.03.01;МТ.01;1 - Модульный тест - Схемотехника Погрешности, связанные с процессом квантования сигнала по времени, проявляются как: ?) апертурная погрешность ?) нелинейность ?) динамические погрешности ?) статические погрешности Вопрос id:2246142 Тема/шкала: 0647.03.01;МТ.01;1 - Модульный тест - Схемотехника Под дискретизацией понимают переход от: ?) аналогового сигнала цифровому ?) дискретного сигнала к другому дискретному ?) дискретного сигнала к цифровому ?) аналогового сигнала к дискретному Вопрос id:2246143 Тема/шкала: 0647.03.01;МТ.01;1 - Модульный тест - Схемотехника Последовательность коротких импульсов с изменяющейся амплитудой является примером сигнала: ?) любого ?) цифрового ?) аналогового ?) дискретного Вопрос id:2246144 Тема/шкала: 0647.03.01;МТ.01;1 - Модульный тест - Схемотехника При интегральной технологии количество элементов в одном корпусе может достигать: ?) 108 ?) 106 ?) 104 ?) 103 Вопрос id:2246145 Тема/шкала: 0647.03.01;МТ.01;1 - Модульный тест - Схемотехника При использовании ОУ данная схема осуществляет ![]() ?) защиту от перегрузки выходных цепей ?) частотную коррекцию ?) регулировку нуля ?) защиту от перегрузки входных цепей Вопрос id:2246146 Тема/шкала: 0647.03.01;МТ.01;1 - Модульный тест - Схемотехника При приближении параметров ОУ к идеальному: ?) уменьшается потребляемая мощность ?) увеличивается быстродействие ?) повышается надежность ?) точнее реализуется аналоговая функция Вопрос id:2246147 Тема/шкала: 0647.03.01;МТ.01;1 - Модульный тест - Схемотехника Приращение входного сигнала АЦП за время преобразования определяет погрешность: ?) апертурную ?) статическую ?) динамическую ?) аппаратную Вопрос id:2246148 Тема/шкала: 0647.03.01;МТ.01;1 - Модульный тест - Схемотехника Синфазным входным сигналом ОУ называется: ?) разность напряжений на входах ?) полусумма напряжений на входах ?) напряжение на инвертируемом входе ?) напряжение на неинвертируемом входе Вопрос id:2246149 Тема/шкала: 0647.03.01;МТ.01;1 - Модульный тест - Схемотехника Согласно теореме Котельникова частота дискретизации должна быть: ?) в три-пять раз выше верхней частоты сигнала ?) равна средней частоте сигнала ?) в два раза выше верхней частоты сигнала ?) равна верхней частоте сигнала Вопрос id:2246150 Тема/шкала: 0647.03.01;МТ.01;1 - Модульный тест - Схемотехника Среднее значение ошибки АЦП равно нулю: ?) никогда ?) при округлении ?) при округлении и при усечении ?) при усечении Вопрос id:2246151 Тема/шкала: 0647.03.01;МТ.01;1 - Модульный тест - Схемотехника Среднее значение ошибки АЦП равно половине шага квантования: ?) никогда ?) при округлении и при усечении ?) при округлении ?) при усечении Вопрос id:2246152 Тема/шкала: 0647.03.01;МТ.01;1 - Модульный тест - Схемотехника Теорема Котельникова определяет выбор: ?) периода дискретизации ?) максимальной допустимой частоты сигнала ?) длины кода ?) количество уровней квантования Вопрос id:2246153 Тема/шкала: 0647.03.01;МТ.01;1 - Модульный тест - Схемотехника Теорема Котельникова позволяет: ?) минимизировать длину кода ?) минимизировать количество уровней квантования ?) минимизировать потерю информации ?) избежать потери информации Вопрос id:2246154 Тема/шкала: 0647.03.01;МТ.01;1 - Модульный тест - Схемотехника Узел, используемый для подключения электронных устройств к источникам аналоговых сигналов, называется: ?) аналоговым ключом ?) компаратором ?) аналого-цифровым преобразователем ?) коммутатором Вопрос id:2246155 Тема/шкала: 0647.03.01;МТ.01;1 - Модульный тест - Схемотехника Устройство выборки и хранения используется для уменьшения погрешности: ?) апертурной ?) нелинейности ?) коэффициента передачи ?) смещения нуля Вопрос id:2246156 Тема/шкала: 0647.03.01;МТ.01;1 - Модульный тест - Схемотехника Фильтры первого порядка называются так потому, что: ?) их передаточные функции являются уравнениями первого порядка ?) они содержат только одну RC-цепь ?) они содержат только один конденсатор ?) угол наклона их ЛАЧХ равен 1 дБ/дек Вопрос id:2246157 Тема/шкала: 0647.03.01;МТ.01;1 - Модульный тест - Схемотехника Частотная коррекция в схемах с ОУ применяется для ?) компенсации влияния температуры ?) расширения частотной полосы ОУ ?) уменьшения уровня шума ?) исключения возникновения автоколебаний выходного сигнала Вопрос id:2246158 Тема/шкала: 0647.03.01;МТ.01;1 - Модульный тест - Схемотехника Частотная полоса ОУ определяется частотой, на которой коэффициент усиления: ?) уменьшается в 10 раз ?) равен нулю ?) равен 1 ?) уменьшается на 50% Вопрос id:2246159 Тема/шкала: 0647.03.01;МТ.01;1 - Модульный тест - Схемотехника Число квантов выходного напряжения n-разрядного ЦАП определяется по формуле: ?) 2n ?) 2n-1 ?) 2n-1 ?) 2n+1 Вопрос id:2246160 Тема/шкала: 0647.03.01;МТ.01;1 - Модульный тест - Схемотехника Шаг квантования определяется для квантования ?) любого ?) адаптивного ?) неравномерного ?) равномерного Вопрос id:2246161 Тема/шкала: 0647.03.01;МТ.01;1 - Модульный тест - Схемотехника Э.д.с. смещения - это: ?) выходное напряжение при равном нулю входном напряжении ?) входное напряжение, при котором выходное напряжение равно нулю ?) изменение выходного напряжения при изменении температуры ?) изменение выходного напряжения при постоянном входном напряжении |
Copyright tests.ithead.ru 2013-2026


















