Список вопросов базы знанийЭлектротехника, электроника и схемотехникаВопрос id:583963 С помощью сдвиговых регистров можно организовать линии задержек: ?) нет ?) да Вопрос id:583964 Структура генератора квазислучайной последовательности на сдвиговом регистре представляет собой регистр сдвига с последовательными выходами: ?) нет ?) да Вопрос id:583965 Из представленных вольт-амперных характеристик нелинейных элементов к симметричным относятся …
?) а, б ?) б, в ?) в, г ?) а, г Вопрос id:583966 C увеличением частоты f и неизменном действующем значении приложенного напряжения U действующее значение I …
?) увеличивается ?) остается неизменным ?) уменьшается ?) достигает минимума, а затем увеличивается Вопрос id:583967 C уменьшением частоты f и неизменном действующем значении приложенного напряжения U действующее значение I …
?) уменьшается ?) увеличивается ?) достигает минимума, а затем увеличивается ?) остается неизменным Вопрос id:583969 Амплитудное значение тока i(t) при напряжении u(t)=200 sin(314t) В и величине
?) 314 А ?) 2 А ?) 63,69 А ?) 1 А Вопрос id:583970 В трехфазной цепи при симметричной нагрузке амперметром был измерен ток - 2 А. Фазный ток
?) 3 А ?) 3,4 А ?) 1,1 А ?) 2 А Вопрос id:583971 В трехфазной цепи при симметричной нагрузке амперметром был измерен ток 2 А. Фазный ток
?) 3,4 А ?) 3 А ?) 1,15 А ?) 2 А Вопрос id:583972 Векторная диаграмма трехфазной цепи при соединении по схеме «звезда» соответствует …
?) симметричной нагрузке ?) несимметричной нагрузке ?) однородной нагрузке ?) равномерной нагрузке Вопрос id:583973 Векторная диаграмма, приведенная для трехфазной цепи , при соединении нагрузки звездой соответствует
?) несимметричной нагрузке ?) соотношению сопротивлений фаз ?) симметричной нагрузке ?) соотношению сопротивлений фаз Вопрос id:583974 Выражение для мгновенного значения синусоидального тока i(t) при T равном 0,02с имеет вид …
?) i(t)=0,8 sin (200t - /4) А ?) i(t)=200cos (0,02t+T/8) А ?) i(t)=0,8 sin (314t+ /4) А ?) i(t)=200 sin 50t А Вопрос id:583975 Для второго контура данной схемы справедливо
?) uR1+uR3 + uR2=e ?) uR2+uL+uC+uR3=0 ?) uR1+uR3 + uR2=0 ?) uR1 +uL +uC+uR3 + uR2=e Вопрос id:583976 Для контура, содержащего ветви с
?) ?) ?) ?) Вопрос id:583977 Для определении токов в схеме а по методу наложения составлены частичные схемы б и в. Тогда уравнение для определения тока
?) ?) ?) ?) Вопрос id:583978 Для первого контура данной схемы справедливо
?) uR1+uR3 + uR2=0 ?) uR1+uC+uR3=e ?) uR1+uL+uR2=e ?) uR1+uR3 + uR2=e Вопрос id:583979 Для третьего контура данной схемы справедливо
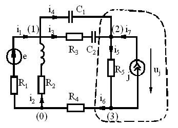
?) uR1+uC+uR3=e ?) uR1+uR3 + uR2=e ?) uR1+uR3 + uR2=0 ?) uR1 +uL +uC+uR3 + uR2=e Вопрос id:583980 Для узла (0) данной цепи
?) i2+i1-i6=0 ?) i1-i2+i6=0 ?) i1+i2+i3-i6-i5-i7=0 ?) i6-i2=0 Вопрос id:583981 Для узла (1) данной цепи
?) -i1 +i3+i4=0 ?) -i1-i2+i3+i4=0 ?) -i1 +i3+i4- i7=0 ?) -i1 + i2-i3-i4=0 Вопрос id:583982 Для узла (2) данной цепи
?) -i5-i6- i2+i7=0 ?) –i3-i4-i7+i5=0 ?) -i1 +i3+i4- i7=0 ?) -i1 + i2-i3-i4=0 Вопрос id:583983 Для узла (3) данной цепи
?) -i5+i6+i7=0 ?) -i5-i6- i2+i7=0 ?) i5-i6=0 ?) i5-i6-i2=0 Вопрос id:583984 Для узла 2 уравнение по методу узловых потенциалов имеет вид …
?) ![]() ?) ![]() ?) ![]() ?) ![]() Вопрос id:583985 Для узла a схемы
?) -I1 - I3 + J2 = 0 ?) ?) I1 - I3 - J2 = 0 ?) Вопрос id:583986 Для узла b схемы
?) ?) ?) ?) Вопрос id:583987 Для узла схемы
?) ?) ?) ?) Вопрос id:583988 Для цепи с последовательным соединением R, L, C - элементов при неизменном действующем значении приложенного напряжения на рисунке приведена зависимость
?) ?) ?) ?) Вопрос id:583989 Если амперметр показывает
?) 640 Вт ?) 120 Вт ?) 160 Вт ?) 480 Вт Вопрос id:583990 Если в трехфазной цепи при соединении по схеме «звезда – звезда с нейтральным проводом» амперметр показал I= 0 A, то в этом случае нагрузка является …
?) симметричной ?) однородной ?) несимметричной ?) равномерной Вопрос id:583991 Если все резисторы имеют одинаковое сопротивление R = 50 Ом, то эквивалентное сопротивление цепи равно …
?) 25 Ом ?) 200 Ом ?) 100 Ом ?) 50 Ом Вопрос id:583992 Если действующие значения напряжения и тока U = 100 В и I=5 А, и угол сдвига фаз между ними = 60°, то активная мощность Р равна …
?) 250 Вт ?) 500 Вт ?) 433 Вт ?) 866 Вт Вопрос id:583993 Если действующие значения напряжения и тока U = 100 В и I=5 А, то полная мощность S равна …
?) 95 ВА ?) 500 ВА ?) 20 ВА ?) 105 ВА Вопрос id:583994 Если емкость С=100 мкФ, то емкостное сопротивление
?) 0,0628 рад/с ?) 100 рад/с ?) 628 рад/с ?) 0,001592 рад/с Вопрос id:583995 Если индуктивное сопротивление
?) 0,01 Ом ?) 0,318 Гн ?) 314 Ом ?) 100 Гн Вопрос id:583996 Если к цепи приложено напряжение U=20 В, при этом сила тока I=2 А, то сопротивление цепи составит …
?) 22 Ом ?) 0,1 Ом ?) 10 Ом ?) 40 Ом Вопрос id:583997 Если при напряжении 100 В статическое сопротивление нелинейного элемента равно 20 Ом, то сила тока
?) 2 кА ?) 5 А ?) 10 А ?) 0,02 А Вопрос id:583998 Если при токе I = 15 А статическое сопротивление нелинейного элемента равно 10 Ом, то напряжение
?) 1,5 В ?) 150 В ?) 25 В ?) 0,7 В Вопрос id:583999 Если приложенное напряжение U = 220 В, а сила тока в цепи составляет 10А, то сопротивление на данном участке имеет величину …
?) 22 Ом ?) 2,2 кОм ?) 220 Ом ?) 0,045 Ом Вопрос id:584000 Если реактивное сопротивление пассивного двухполюсника
?) 34 ВАр ?) 120 ВАр ?) 3600 ВАр ?) 480 ВАр Вопрос id:584001 Если сопротивления
?) во всех один и тот же ток ?) в ?) в ?) в Вопрос id:584002 Источник через соединительные провода подключается к нагрузке. Выражение для мощности, определяющей потери в проводах, имеет вид …
?) ?) ?) ?) Вопрос id:584003 Источник через соединительные провода подключается к нагрузке. По выражению
?) вырабатываемую источником ?) потерь в источнике ?) выделяющуюся в нагрузке ?) потерь в проводах Вопрос id:584004 Количество независимых уравнений по законам Кирхгофа, необходимое для расчета токов в ветвях заданной цепи составит …
?) пять уравнений по второму закону ?) два уравнения по первому закону и три по второму закону ?) одно уравнение по первому закону и четыре по второму закону ?) три уравнения по первому закону и два по второму закону Вопрос id:584005 Количество узлов в данной схеме составляет …
?) четыре ?) два ?) три ?) шесть Вопрос id:584006 Количество уравнений, необходимое для расчета токов в ветвях методом узловых потенциалов, составит …
?) четыре ?) пять ?) три ?) шесть Вопрос id:584007 Комплексное сопротивление Z при XC = 60 Ом и R = 80 Ом в алгебраической форме запишется как …
?) 60 +j 80 Ом ?) 80 +j 60 Ом ?) 80 -j 60 Ом ?) 60 -j 80 Ом Вопрос id:584008 Начальная фаза напряжения u(t) на индуктивноcти L при токе i(t)=2sin (314t) А составит …
?) - /2 рад ?) рад ?) /2 рад ?) 0 рад Вопрос id:584009 Общее количество ветвей в данной схеме составляет …
?) две ?) четыре ?) шесть ?) пять Вопрос id:584010 Полное сопротивление Z при ?) 106 Ом ?) 280 Ом ?) 40 Ом ?) 200 Ом Вопрос id:584011 Представленная схема соединения нагрузки, называется …
?) «треугольник» ?) «зигзаг» ?) «звезда» без нейтрального провода ?) «звезда» с нейтральным проводом Вопрос id:584012 Представленной схеме замещения соответствует …
?) реальный источник ЭДС ?) реальный источник тока ?) идеальный источник ЭДС ?) идеальный источник тока Вопрос id:584013 При возникновении в цепи резонанса напряжений на частоте
?) 0,1256 Гн ?) 4,14 Гн ?) 0,02 Гн ?) 6,28 Гн |




















































