Тесты онлайн, бесплатный конструктор тестов. Психологические тестирования, тесты на проверку знаний.
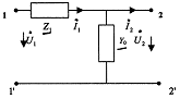
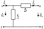
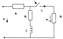
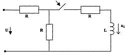
Список вопросов базы знанийЭлектротехника и электроникаВопрос id:1278017 На рисунке изображена схема ![]() ?) формирователя относительно длительных импульсов ?) формирователя коротких импульсов ?) триггера ?) ключа Вопрос id:1278021 На рисунке изображена схема АЦП ![]() ?) с параллельным преобразованием ?) время-импульсного преобразования ?) с двойным интегрированием ?) со следящей связью Вопрос id:1278029 На рисунке изображена схема усилителя с ![]() ?) общей базой ?) общим коллектором ?) общим коллектором и общим эмиттером ?) общим эмиттером Вопрос id:1278033 На рисунке изображена эквивалентная схема идеального ![]() ?) диода для прямого включения ?) транзистора ?) резистора ?) диода для обратного включения Вопрос id:1278034 На рисунке изображена эквивалентная схема идеального ![]() ?) резистора ?) диода для прямого включения ?) транзистора ?) диода для обратного включения Вопрос id:1278037 На схеме изображен ![]() ?) дифференциальный усилитель ?) интегратор ?) повторитель напряжения ?) инвертирующий усилитель Вопрос id:1278042 На схеме изображен ![]() ?) неинвертирующий усилитель ?) дифференциальный усилитель ?) инвертирующий усилитель ?) повторитель напряжения Вопрос id:1278044 На участке электрической цепи мгновенное значение напряжения равно u = 15 + 10sin t + 5sin3 t. Показание вольтметра магнитоэлектрической системы, подключенного к этому участку цепи, равно?) 30 В ?) 12 В ?) ![]() ?) 15 В Вопрос id:1278045 На участке электрической цепи мгновенное значение напряжения равно u = 40 + 30 sin( t + 30о)В. Показание вольтметра электродинамической системы, подключенного к этому участку цепи, равно?) ![]() ?) 50 В ?) 40 В ?) 70 В Вопрос id:1278046 Наибольшее отклонение выходного сигнала от прямой линии абсолютной точности, проведенной через нуль и точку максимального значения выходного сигнала, называется погрешностью ?) нелинейности ?) дискретизации ?) квантования ?) преобразования Вопрос id:1278050 Обратная связь, изображенная на рисунке, это связь ![]() ?) по напряжению ?) обратная связь отсутствует ?) по току ?) комбинированная Вопрос id:1278051 Обратная связь, изображенная на рисунке, это связь ![]() ?) по току ?) комбинированная ?) по напряжению ?) обратная связь отсутствует Вопрос id:1278052 Обратная связь, изображенная на рисунке, это связь ![]() ?) обратная связь отсутствует ?) комбинированная ?) по напряжению ?) по току Вопрос id:1278057 Основные параметры ЦАП: 1) разрешающая способность; 2) дрейф нуля; 3) время установления; 4) погрешность нелинейности; 5) чувствительность - из перечисленного ?) 1, 3, 5 ?) 1, 2, 4 ?) 1, 3, 4 ?) 2, 3, 5 Вопрос id:1278058 Параметры Z1 и Y0 Г- образной схемы через коэффициенты четырехполюсника A, B, C, D замещения выражаются следующим образом ![]() ?) ; ![]() ?) Y0=C; Z1=D ?) Y0=C; Z1=B ?) Y0=A; Z1=B Вопрос id:1278059 Параметры Z2 и Y0 Г-образного четырехполюсника выражаются через коэффициенты A, B, C и D следующим образом ![]() ?) ; ![]() ?) Y0=C; Z1=D ?) Y0=A; Z1=B ?) Y0=C; Z1=B Вопрос id:1278060 Параметры Z2 и Y0 Г-образного четырехполюсника выражаются через коэффициенты A, B, C и D следующим образом ![]() ?) ; ![]() ?) ; ![]() ?) ; ![]() ?) ; ![]() Вопрос id:1278061 Параметры, которые необходимо знать при анализе работы ключей: 1) быстродействие; 2) пороговое напряжение; 3) динамический диапазон; 4) коэффициент усиления; 5) чувствительность; 6) помехоустойчивость - из перечисленного ?) 1, 2, 3, 4 ?) 1, 2, 5, 6 ?) 1, 2, 3, 5 ?) 3, 4, 5, 6 Вопрос id:1278062 Параметры, широко использующиеся для характеристики диодов: 1) дифференциальное сопротивление; 2) максимально допустимый постоянный прямой ток; 3) коэффициент влияния нестабильности источника питания; 4) максимально допустимое обратное напряжение - из перечисленного ?) 1, 3 ?) 2, 3 ?) 1, 4 ?) 2, 4 Вопрос id:1278063 Первая буква в обозначении светодиода указывает на ?) подвид светодиода ?) материал изготовления ?) конструктивное исполнение ?) вид прибора Вопрос id:1278066 Переходное напряжение u1(t) в цепи постоянного тока при U=120 B, R1=6 Ом, R2=4 Ом, L1=0,3 Гн, L2=0,8 Гн равно ![]() ?) ![]() ?) ![]() ?) ![]() ?) ![]() Вопрос id:1278067 Переходное напряжение u1(t) в цепи постоянного тока при U=300 B, R1=10 Ом, R2=5 Ом, R3=30 Ом, L=2 Гн равно ![]() ?) ![]() ?) ![]() ?) ![]() ?) ![]() Вопрос id:1278068 Переходное напряжение u2 в цепи постоянного тока при U=120 B, R1=6 Ом, R2=4 Ом, L1=0,3 Гн, L2=0,8 Гн равно ![]() ?) ![]() ?) ![]() ?) ![]() ?) ![]() Вопрос id:1278069 Переходное напряжение u2(t) в цепи постоянного тока при U=120 B, R1=10 Ом, R2=30 Ом, L=0,1 Гн имеет вид ![]() ?) ![]() ?) ![]() ?) ![]() ?) ![]() Вопрос id:1278070 Переходное напряжение u2(t) в цепи постоянного тока при U=300 B, R=10 Ом, R1=5 Ом, R2=30 Ом, L=2 Гн равно ![]() ?) ![]() ?) ![]() ?) ![]() ?) ![]() Вопрос id:1278071 Переходное напряжение uC в цепи постоянного тока равно ![]() ?) ![]() ?) ![]() ?) ![]() ?) ![]() Вопрос id:1278072 Переходное напряжение uC в цепи постоянного тока равно ![]() ?) ![]() ?) ![]() ?) ![]() ?) ![]() Вопрос id:1278073 Переходное напряжение uL(t) в цепи постоянного тока имеет вид ![]() ?) ![]() ?) ![]() ?) ![]() ?) ![]() Вопрос id:1278074 Переходное напряжение uL(t) в цепи постоянного тока имеет вид ![]() ?) ![]() ?) ![]() ?) ![]() ?) ![]() Вопрос id:1278075 Переходное напряжение uL(t) в цепи постоянного тока при U=120 B, R1=20 Ом, R2=30 Ом, L=0,3 Гн равно ![]() ?) ![]() ?) ![]() ?) ![]() ?) ![]() Вопрос id:1278076 Переходное напряжение uL1 в цепи постоянного тока при U=120 B, R1=6 Ом, R2=4 Ом, L1=0,3 Гн, L2=0,8Гн равно ![]() ?) ![]() ?) ![]() ?) ![]() ?) ![]() Вопрос id:1278077 Переходное напряжение uL2(t) в цепи постоянного тока при U=120 B, R1=6 Ом, R2=4 Ом, L1=0,3 Гн, L2=0,8 Гн равно ![]() ?) ![]() ?) ![]() ?) ![]() ?) ![]() Вопрос id:1278078 Переходное напряжение uR в цепи постоянного тока равно ![]() ?) ![]() ?) ![]() ?) ![]() ?) ![]() Вопрос id:1278079 Переходное напряжение uR в цепи постоянного тока равно ![]() ?) ![]() ?) ![]() ?) ![]() ?) ![]() Вопрос id:1278080 Переходное напряжение uR(t) в цепи постоянного тока равно ![]() ?) ![]() ?) ![]() ?) ![]() ?) ![]() Вопрос id:1278081 Переходное напряжение на активном сопротивлении uR в цепи постоянного тока имеет вид ![]() ?) ![]() ?) ![]() ?) ![]() ?) ![]() Вопрос id:1278082 Переходное напряжение на активном сопротивлении uR в цепи постоянного тока имеет вид ![]() ?) ![]() ?) ![]() ?) ![]() ?) ![]() Вопрос id:1278083 Переходное напряжение на активном сопротивлении uR в цепи постоянного тока равно ![]() ?) ![]() ?) ![]() ?) ![]() ?) ![]() Вопрос id:1278084 Переходное напряжение на емкости uC в цепи постоянного тока равно ![]() ?) ![]() ?) ![]() ?) ![]() ?) ![]() Вопрос id:1278085 Переходное напряжение на индуктивности uL в цепи постоянного тока имеет вид ![]() ?) ![]() ?) ![]() ?) ![]() ?) ![]() Вопрос id:1278086 Переходное напряжение на индуктивности uL в цепи постоянного тока при U=120 B, R1=10 Ом, R2=30 Ом, L=0,1Гн равно ![]() ?) ![]() ?) ![]() ?) ![]() ?) ![]() Вопрос id:1278087 Переходное напряжение на индуктивности uL в цепи постоянного тока равно ![]() ?) ![]() ?) ![]() ?) ![]() ?) ![]() Вопрос id:1278088 Переходное напряжение на сопротивлении в цепи постоянного тока равно ![]() ?) ![]() ?) ![]() ?) ![]() ?) ![]() Вопрос id:1278089 Переходный ток i в цепи постоянного тока имеет вид ![]() ?) ![]() ?) ![]() ?) ![]() Вопрос id:1278090 Переходный ток i в цепи постоянного тока равен ![]() ?) ![]() ?) ![]() ?) ![]() ?) ![]() Вопрос id:1278091 Переходный ток i в цепи постоянного тока имеет вид ![]() ?) ?) ![]() ?) ?) Вопрос id:1278092 Переходный ток i в цепи постоянного тока при U=30 В, R=10 Ом, R1=5 Ом, R2=30 Ом, L=2 Гн равен ![]() ?) ![]() ?) ![]() ?) ![]() ?) ![]() Вопрос id:1278093 Переходный ток i в цепи постоянного тока равен ![]() ?) ![]() ?) ![]() ?) ![]() ?) ![]() Вопрос id:1278094 Переходный ток i(t) в цепи постоянного напряжения равен ![]() ?) ![]() ?) ![]() ?) ![]() ?) ![]() Вопрос id:1278095 Переходный ток i(t) в цепи постоянного тока имеет вид ![]() ?) ![]() ?) ![]() ?) ![]() ?) ![]() |
Copyright tests.ithead.ru 2013-2026







t + 5sin3
t. Показание вольтметра магнитоэлектрической системы, подключенного к этому участку цепи, равно
sin(
t + 30о)В. Показание вольтметра электродинамической системы, подключенного к этому участку цепи, равно




; 

; 

; 
; 
; 
; 














































































































в цепи постоянного тока равно 


































