Тесты онлайн, бесплатный конструктор тестов. Психологические тестирования, тесты на проверку знаний.
Список вопросов базы знанийЭлектротехника и электроникаВопрос id:1278694 Если известны постоянные четырехполюсника A, B, C и D, выходные сопротивления в режимах холостого хода и короткого замыкания записывается так ?) ; ![]() ?) ; ![]() ?) ; ![]() ?) ; ![]() Вопрос id:1278695 Если оригинал , то изображение?) UL(p)=pLI(p)-Li(0+) ?) ![]() ?) UL(p)=L·I(p) ?) UL(p)=pLI(p) Вопрос id:1278696 Если оригинал , то изображение?) UC(p)=C·I(p) ?) UC(p)=pC·I(p) ?) UC(p)=pCI(p)-Ci(0+) ?) ![]() Вопрос id:1278703 Заграждающий фильтр - это ?) фильтрующая система, у которой полоса пропускания разрезана на две части полосой затухания ?) фильтр, у которого произведение продольного сопротивления на соответствующее поперечное сопротивление представляет собой некоторое для данного фильтра число, не зависящее от частоты ?) фильтр, у которого произведение продольного сопротивления на соответствующее поперечное сопротивление представляет собой некоторое для данного фильтра число, зависящее от частоты ?) фильтрующая система, сочетающая каскадное соединение низкочастотных и высокочастотных фильтров, пропускающая токи с частотами от ω1 до ω2 Вопрос id:1278707 Значения токов и напряжений в электрической цепи при t=0 - это ___ условия ?) нулевые начальные ?) начальные ?) независимые начальные ?) докоммутационные начальные Вопрос id:1278708 Значения токов и напряжений непосредственно до коммутации, при t=0- - это ___ условия ?) нулевые начальные ?) докоммутационные начальные ?) независимые начальные ?) начальные Вопрос id:1278709 Значения токов и напряжений непосредственно после коммутации, при t=0+ - это ___ условия ?) послекоммутационные начальные ?) зависимые начальные ?) независимые начальные ?) ненулевые начальные Вопрос id:1278710 Изображение интеграла , если известно, что изображение функции f(t) равно F(p)?) f(t)/p ?) F(p)/p ?) pf(t) ?) pF(p) Вопрос id:1278711 Изображение постоянной A ?) pA ?) A/p ?) A/p ?) A Вопрос id:1278712 Коэффициент затухания для RC - цепи ?) ![]() ?) ![]() ?) ![]() ?) ![]() Вопрос id:1278713 Коэффициент затухания для RL - цепи ?) ![]() ?) ![]() ?) ![]() ?) ![]() Вопрос id:1278714 Критическое сопротивление контура, состоящего из последовательно соединенных сопротивления, емкости и индуктивности, RКР равно ?) ![]() ?) ![]() ?) ![]() ?) ![]() Вопрос id:1278715 Операторная схема замещения элемента ![]() ?) ![]() ?) ![]() ?) ![]() ?) ![]() Вопрос id:1278716 Операторная схема замещения элемента ![]() ?) ![]() ?) ![]() ?) ![]() ?) ![]() Вопрос id:1278717 Операторная схема замещения элемента ![]() ?) ![]() ?) ![]() ?) ![]() ?) ![]() Вопрос id:1278720 Первый закон коммутации - ?) ![]() ?) ![]() ?) ![]() ?) ![]() Вопрос id:1278721 Показатель, характеризующий быстроту затухания периодических колебаний и равный отношению напряжений в моменты времени t и t+T0, где T0 - период собственных колебаний контура, - это ?) декремент колебания ?) коэффициент затухания ?) постоянная времени контура ?) критическое сопротивление контура Вопрос id:1278722 Полосовой фильтр - это ?) фильтр, у которого произведение продольного сопротивления на соответствующее поперечное сопротивление представляет собой некоторое для данного фильтра число, не зависящее от частоты ?) электрический фильтр, не содержащий катушек индуктивности ?) фильтрующая система, у которой полоса пропускания разрезана на две части полосой затухания ?) фильтрующая система, сочетающая каскадное соединение низкочастотных и высокочастотных фильтров, пропускающая токи с частотами от ω1 до ω2 Вопрос id:1278723 Постоянная времени для RС - цепи ?) ![]() ?) ![]() ?) ![]() ?) ![]() Вопрос id:1278724 Постоянная времени для RL - цепи ?) ![]() ?) ![]() ?) ![]() ?) ![]() Вопрос id:1278726 При нулевых начальных условиях операторные схемы замещения индуктивного и емкостного элементов упрощаются и содержат только ?) ![]() ?) ![]() ?) pL ?) pC Вопрос id:1278727 Свободные напряжения - это ?) напряжения при нулевых начальных условиях ?) напряжения переходного процесса ?) напряжения принужденного режима ?) разность напряжений переходного процесса и принужденного режима Вопрос id:1278728 Свободные токи - это ?) токи при нулевых начальных условиях ?) токи переходного процесса ?) разность токов переходного процесса и принужденного режима ?) токи принужденного режима Вопрос id:1278729 Симметричный четырехполюсник - ?) электрическая схема, имеющая два входных и два выходных зажима ?) часть цепи, характеризуемая обобщенными параметрами, необходимыми и достаточными для составления уравнений связи между токами и напряжениями на ее зажимах ?) схема, свойства которой одинаковы со стороны обеих пар зажимов ?) T- или П-схемы четырехполюсника Вопрос id:1278730 Фильтр высоких частот - это ?) электрический фильтр, пропускающий в нагрузку частоты с ω1 до ![]() ?) электрический фильтр, не содержащий катушек индуктивности ?) фильтр, у которого произведение продольного сопротивления на соответствующее поперечное сопротивление представляет собой некоторое для данного фильтра число, не зависящее от частоты ?) фильтрующая система, пропускающая токи с частотами от ω1 до ω2 Вопрос id:1278731 Фильтр низких частот - это ?) электрический фильтр, пропускающий в нагрузку частоты с ω1=0 до ω2 ?) фильтрующая система, пропускающая токи с частотами от ω1≠0 до ω2 ?) фильтр, у которого произведение продольного сопротивления на соответствующее поперечное сопротивление представляет собой некоторое для данного фильтра число, не зависящее от частоты ?) электрический фильтр, не содержащий катушек индуктивности Вопрос id:1278732 Фильтрующая система, сочетающая каскадное соединение низкочастотных и высокочастотных фильтров, пропускающая токи с частотами от ω1 до ω2, - это фильтр ?) полосовой ?) высоких частот ?) низких частот ?) заграждающий Вопрос id:1278733 Фильтрующая система, у которой полоса пропускания разрезана на две части полосой затухания, - это фильтр ?) заграждающий ?) низких частот ?) полосовой ?) высоких частот Вопрос id:1278734 Цепная схема - ?) схема, состоящая из каскадного соединения ряда тождественных и симметричных Т- или П- схем ?) каждая из Т- или П- схем ?) цепь, характеризуемая обобщенными параметрами, необходимыми и достаточными для составления уравнений связи между токами и напряжениями на ее зажимах ?) электрическая схема, имеющая два входных и два выходных зажима Вопрос id:1278735 Электрический фильтр - это ?) электрическая схема, имеющая два входных и два выходных зажима ?) цепь, характеризуемая обобщенными параметрами, необходимыми и достаточными для составления уравнений связи между токами и напряжениями на ее зажимах ?) четырехполюсник, включаемый между источником питания и приемником и предназначенный для пропуска без затухания к приемнику токов одних частот и задержки токов других частот ?) схема, свойства которой одинаковы со стороны обеих пар зажимов Вопрос id:1278736 Для представленной схемы временная диаграмма напряжения на нагрузке изображена под номером…
?) 1 ?) 4 ?) 2 ?) 3 Вопрос id:1278737 На рисунке изображена схема
?) дешифратора ?) полусумматора ?) мультиплексора ?) счетчика Вопрос id:1278738 На рисунке изображена схема
?) мультиплексора ?) полусумматора ?) счетчика ?) дешифратора Вопрос id:1278739 На рисунке изображена схема
?) D ?) T ?) RS ?) Хронируемого RS Вопрос id:1278740 На рисунке изображена схема
?) D ?) T ?) RS ?) Хронируемого RS Вопрос id:1278741 На рисунке изображена схема
?) двухступенчатого D ?) двухступенчатого RS ?) хронируемого RS ?) JK Вопрос id:1278742 На рисунке изображена схема
?) RS ?) T ?) JK ?) Хронируемого RS Вопрос id:1278743 На рисунке изображена схема
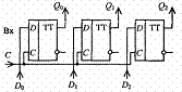
?) сдвигового регистра ?) суммирующего счетчика ?) полусумматора ?) параллельного регистра Вопрос id:1278744 На рисунке изображена схема
?) параллельного регистра ?) сдвигового регистра ?) суммирующего счетчика ?) полусумматора Вопрос id:1278745 На рисунке изображена схема
?) параллельного регистра ?) сдвигового регистра ?) полусумматора ?) суммирующего счетчика Вопрос id:1278746 На рисунке приведена схема неинвертирующего усилителя с коэффициентом усиления …
?) 1/5 ?) 2 ?) 6 ?) 10 Вопрос id:1278747 Приведенная временная диаграмма напряжения на выходе выпрямителя соответствует…
?) однофазному мостовому выпрямителю ?) однофазному однополупериодному выпрямителю ?) однофазному выпрямителю с выводом средней точки вторичной обмотки трансформатора ?) трехфазному выпрямителю с выводом средней точки трансформатора Вопрос id:1278748 Приведеные временные диаграммы напряжения на входе и выходе соответствуют …
?) усилительному каскаду с общим эмиттером ?) выпрямителю ?) инверитирующему усилителю на операционном усилителе ?) повторителю напряжения на операционном усилителе Вопрос id:1278749 D-триггер имеет ?) тактовый вход и информационный вход и относится к синхронному типу ?) один вход установки и относится к синхронному типу ?) тактовый и информационный входы и относится к асинхронному типу ?) два входа – установки и сброса и относится к асинхронному типу Вопрос id:1278750 RS-триггер имеет ?) один вход установки и относится к синхронному типу ?) тактовый и информационный входы и относится к асинхронному типу ?) два входа – установки и сброса и относится к асинхронному типу ?) тактовый вход и вход сброса и относится к синхронному типу Вопрос id:1278751 T-триггер строится обычно на основе ?) двухступенчатых D-триггеров путем соединения выходов со входами перекрестными связями ?) двух асинхронных RS-триггеров ?) дополнительного элемента И ?) двухступенчатых RS путем соединения выходов со входами перекрестными связями Вопрос id:1278757 В зависимости от режима работы регулирующего элемента стабилизаторы разделяются на ?) импульсные ?) непрерывные ?) компенсационные ?) параметрические Вопрос id:1278758 В зависимости от функционального назначения усилителя различают коэффициент усиления по ?) напряжению ?) частоте ?) току ?) мощности Вопрос id:1278759 В момент времени на выходе Q RS-триггера будет … ![]() ?) логическая единица ?) три в двоичном коде ?) логический ноль ?) неопределенность Вопрос id:1278760 В непрерывных стабилизаторах регулирующий элемент работает в режиме ?) активном ?) импульсном ?) AB ?) D |
Copyright tests.ithead.ru 2013-2026
; 
; 
; 
; 
, то изображение
, то изображение
, если известно, что изображение функции f(t) равно F(p)























































на выходе Q RS-триггера будет … 