Тесты онлайн, бесплатный конструктор тестов. Психологические тестирования, тесты на проверку знаний.
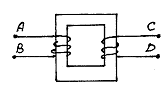
Список вопросов базы знанийЭлектротехника и электроникаВопрос id:1276866 Если в короткозамкнутом витке ток изменяется со скоростью 10 А/с, магнитный поток витка, созданный током, изменяется со скоростью 0,5 Вб/с, то индуктивность витка будет равна ?) L = 5 Гн ?) L = 5×10-8 Гн ?) L = 5×10-2 Гн ?) L = 5×10-6 Гн Вопрос id:1276867 Если в течение 3 сек потокосцепление катушки возросло с 15×10-2 Вб до 24×10-2 Вб, то ЭДС, индуктированная в катушке (полагая, что потокосцепление увеличивалось по линейному закону), будет равна ?) e = 0,09 В ?) e = 0,08 В ?) e = 0,05 В ?) e = 0,03 В Вопрос id:1276870 Если две катушки расположены соосно друг другу, то эквивалентная индуктивность с уменьшением расстояния l между ними ![]() ?) не изменится ?) на вопрос ответить нельзя, т.к. неизвестны индуктивности катушек ?) уменьшится ?) увеличится Вопрос id:1276871 Если две катушки расположены соосно друг другу, то эквивалентная индуктивность с уменьшениеми расстояния l между ними (начало обмоток обозначены звездочками) ![]() ?) изменится ?) на вопрос ответить нельзя, т.к. неизвестны индуктивности катушек ?) уменьшится ?) увеличится Вопрос id:1276874 Если заданы собственные индуктивности и коэффициент связи катушек: L1 = 0,1 Гн; L2 = = 0,1 Гн; k = 0,8, то коэффициент взаимоиндукции равен ?) M = 0,8 Гн ?) M = 0,25 Гн ?) M = 0,08 Гн ?) M = 0,2 Гн Вопрос id:1276875 Если к двухполюснику приложено напряжение u = 100 + 141sin(100t + 45o) В, под действием которого протекает ток i = 5sin(100t + 0o), то мощность, потребляемая двухполюсником, будет равна ?) 1250 Вт ?) 250 Вт ?) 600 Вт ?) 750 Вт Вопрос id:1276876 Если к двухполюснику приложено напряжение u = 100 + 150sin(100t + 45o) В, под действием которого протекает ток i = 5 А (мгновенное значение), то мощность, потребляемая двухполюсником, будет равна ?) 500 Вт ?) 750 Вт ?) 375 Вт ?) 1250 Вт Вопрос id:1276878 Если к схеме, изображенной на рисунке, приложено напряжение u = 20 + 10 sinwt; R = 10 Ом; = wL, то показание амперметра электромагнитной системы будет равно ![]() ?) 2 А ?) 3 А ?) 0 ?) 1 А Вопрос id:1276881 Если магнитный поток, пронизывающий одновитковую рамку, в момент времени t = 0 равен 0,005 Вб, то магнитный поток через одну секунду, при постоянной индуктированной ЭДС, равной 20 мВ (магнитный поток изменялся в сторону увеличения), будет равен ?) Ф = 0 ?) Ф = 0,020 Вб ?) Ф = 0,025 Вб ?) Ф = 0,005 Вб Вопрос id:1276882 Если максимальное и минимальное значение эквивалентной индуктивности последовательно соединенных катушек вариометра равны соответственно 12 мГн и 6 мГн, то собственные индуктивности катушек (если известно, что они одинаковы), будут ?) L1 = L2 = 6 мГн ?) L1 = L2 = 1,5 мГн ?) L1 = L2 = 3 мГн ?) L1 = L2 = 4,5 мГн Вопрос id:1276883 Если на общий сердечник надеты две одинаковые катушки (x1 = x2 = 6 Ом), то показание вольтметра, при показании амперметра 3,5 А и коэффициенте связи, равном единице, будет ![]() ?) 21В ?) 42 В ?) ноль ?) задачу решить нельзя Вопрос id:1276884 Если по катушке, имеющей индуктивность L = 0,1 Гн и число витков w = 10, пропускается ток I = 1 А, то магнитный поток внутри катушки (пренебрегая рассеянием) будет равен ?) Ф = 10-4 Вб ?) Ф = 10-5 Вб ?) Ф = 5×10-5 Вб ?) Ф = 10-3 Вб Вопрос id:1276885 Если ручка вариометра установлена так, что эквивалентная индуктивность его катушек (соединенных последовательно) максимальна, то угол поворота ручки вариометра, при котором эквивалентная индуктивность минимальна, будет равен ?) 180° ?) 90° ?) 45° ?) 360° Вопрос id:1276886 Если схема настроена на резонанс токов и задано u = 100 + 150sin100t В; С = 100 мкФ; L = 1 Гн; R = 10 Ом, показание вольтметра электродинамической системы будет равно ![]() ?) 100 ![]() ?) 0 ?) 100 В ?) 120 В Вопрос id:1276888 Задан ток в идеальной индуктивности: i = 4 + 30 sinwt + 5 sin3wt. Амплитуда первой гармоники напряжения на этой катушке больше амплитуды третьей гармоники в?) 4 раза ?) 6 раз ?) 2 раза ?) 18 раз Вопрос id:1276889 Задано u = U1 sinwt + U3 sin(3wt + j). При изменении фазового угла j от 0 до 90o при неизменных параметрах цепи?) действующее значение тока I возрастает ?) ток I получает максимальное значение при j = 45o ?) действующее значение тока I уменьшается ?) ток I останется неизменным Вопрос id:1276890 Закон Ома для магнитной цепи: ?) ![]() ?) ![]() ?) ![]() ?) ![]() Вопрос id:1276891 Закон полного тока: ?) циркуляция вектора напряжённости магнитного поля вдоль любого произвольного замкнутого контура равна алгебраической сумме магнитных моментов вдоль этого контура ?) циркуляция вектора напряжённости магнитного поля вдоль любого произвольного замкнутого контура равна алгебраической сумме макротоков, охваченных этим контуром ?) циркуляция вектора магнитной индукции вдоль любого произвольного замкнутого контура равна алгебраической сумме макротоков, охваченных этим контуром ?) циркуляция вектора намагниченности магнитного поля вдоль любого произвольного замкнутого контура равна алгебраической сумме магнитных моментов вдоль этого контура Вопрос id:1276892 К магнитомягким материалам относятся: ?) углеродистые стали ?) вольфрамовые сплавы ?) платинокобальтовые сплавы ?) электротехнические стали Вопрос id:1276893 К цепи приложено напряжение u = 100 + 100sin100t. Показания амперметра магнитоэлектрической и электромагнитной систем, при сдвиге фазы первой гармоники на 180°, ?) изменится у амперметров обеих систем ?) показания амперметров обеих систем станут равны нулю ?) показание амперметра электромагнитной системы не изменится, амперметр магнитоэлектрической системы покажет нуль ?) не изменится у амперметров обеих систем Вопрос id:1276895 Коэффициент амплитуды: ?) отношение максимального к действующему значению ?) отношение действующего значения основной гармоники к действующему значению всей кривой ?) отношение действующего к среднему по модулю значению ?) отношение действующего значения высших гармоник к действующему значению основной гармоники Вопрос id:1276896 Коэффициент взаимоиндукции двух катушек без ферромагнитного сердечника, при увеличении тока в одной из них в n раз ?) уменьшится в n2 раз ?) уменьшится в n раз ?) увеличится в n раз ?) не изменится Вопрос id:1276897 Коэффициент взаимоиндукции двух катушек без ферромагнитного сердечника, при уменьшении числа витков обеих катушек в n раз ?) уменьшится в n раз ?) уменьшится в n2 раз ?) не изменится ?) увеличится в n2 раз Вопрос id:1276898 Коэффициент искажения ku кривой тока i = 4 + 10 sinwt + 3 sin3wt, равен ?) ku = ![]() ?) ku = ![]() ?) ku = ![]() ?) ku = ![]() Вопрос id:1276899 Коэффициент искажения: ?) отношение действующего значения высших гармоник к действующему значению основной гармоники ?) отношение максимального к действующему значению ?) отношение действующего значения основной гармоники к действующему значению всей кривой ?) отношение действующего к среднему по модулю значению Вопрос id:1276900 Коэффициент связи двух катушек при: L1 = 0,05 Гн; L2 = 0,2 Гн; М = 0,08 Гн равен ?) k = 0,2 ?) k = 0,8 ?) k = 1 ?) k = 0,08 Вопрос id:1276901 Коэффициент связи: ?) отношение действующего к среднему по модулю значению ?) отношение действующего значения основной гармоники к действующему значению всей кривой ?) коэффициент, определяющий степень связи двух магнитосвязанных элементов ?) коэффициент пропорциональности между потокосцеплением и током в магнитосвязанньгх цепях Вопрос id:1276902 Коэффициент формы: ?) отношение действующего к среднему по модулю значению ?) отношение действующего значения высших гармоник к действующему значению основной гармоники ?) отношение максимального к действующему значению ?) отношение действующего значения основной гармоники к действующему значению всей кривой Вопрос id:1276904 Кривая u = 24sinwt - 12sin3wt симметрична ?) только относительно начала координат ?) относительно оси абсцисс и начала координат ?) только относительно оси ординат ?) только относительно оси абсцисс Вопрос id:1276909 Магнитный поток, при площади поперечного сечения S,равен: ?) HS ?) JS ?) HIS ?) BS Вопрос id:1276910 Магнитодвижущая сила катушки: ?) произведение числа витков катушки на магнитный момент единицы объёма ?) произведение магнитной индукции на число витков катушки ?) произведение числа витков катушки на напряжённость магнитного поля ?) произведение числа витков катушки на протекающий по ней ток Вопрос id:1276911 Магнитодиэлектрики: ?) материалы, которые изготавливают из окислов меди и цинка и окислов железа ?) вещества, имеющие магнитную проницаемость намного больше единицы ?) обладают полого поднимающейся основной кривой намагничивания и относительно малыми площадями гистерезисных петель ?) материалы, получаемые путём смешения мелкоизмельчённого порошка железа с диэлектриком Вопрос id:1276912 Магнитомягкие материалы: ?) обладают круто поднимающейся основной кривой намагничивания и большой площадью гистерезисной петли ?) обладают полого поднимающейся основной кривой намагничивания и большой площадью гистерезисной петли ?) обладают полого поднимающейся основной кривой намагничивания и относительно малыми площадями гистерезисных петель ?) обладают круто поднимающейся основной кривой намагничивания и относительно малыми площадями гистерезисньгх петель Вопрос id:1276914 Мгновенное значение напряжения на участке электрической цепи равно u = 40 + 30 sin(wt + 30о)В. Показание вольтметра электродинамической системы, подключенного к этому участку цепи, равно?) 40 В ?) 50 В ?) ![]() ?) 70 В Вопрос id:1276915 Мгновенное значение тока в ветви равно i = 3 + 4 sinwt А. Амперметр электромагнитной системы, включенный в эту ветвь, показывает?) 3 А ?) 4 А ?) 7 А ?) 5 А Вопрос id:1276919 Одноименными зажимами двух индуктивно связанных катушек, надетых на общий сердечник, будут ![]() ?) А и D ?) С и В ?) С и D ?) А и С Вопрос id:1276920 Одноименными зажимами двух индуктивно связанных катушек, надетых на общий сердечник, будут ![]() ?) В и D ?) А и С ?) В и С ?) А и В Вопрос id:1276921 Одноименными зажимами двух индуктивно связанных катушек, надетых на общий стержень ![]() ?) будут А и С ?) не будет ни одна из пар, т.к., не зная направлений намотки катушек, нельзя определить одноименные зажимы ?) будут В и С ?) будут А и D Вопрос id:1276922 Одноименными зажимами двух индуктивно связанных катушек, надетых на общий стержень, будут ![]() ?) А и С ?) В и С ?) А и D ?) А и В Вопрос id:1276923 Первичная обмотка трансформатора: ?) обмотка трансформатора, к которой подводится питание ?) обмотка трансформатора, к которой присоединяется приёмник энергии ?) обмотка трансформатора с большим числом витков ?) обмотка трансформатора с меньшим числом витков Вопрос id:1276924 Первый закон Кирхгофа для магнитных цепей: ?) ![]() ?) ![]() ?) ![]() ?) ![]() Вопрос id:1276925 По проводнику радиусом R протекает постоянный ток I. Расстояние r от центра проводника, где напряженность магнитного поля будет максимальна, равно ?) r = 0 ?) r = R ?) r = 2R ?) r = 4R Вопрос id:1276926 По проводнику, радиусом R протекает постоянный ток. График распределения напряженности магнитного поля вдоль радиуса проводника имеет вид ?) ![]() ?) ![]() ?) ![]() ?) ![]() Вопрос id:1276927 По своим электрическим свойствам полупроводниками являются: ?) магнитодиэлектрики ?) магнитомягкие материалы ?) ферриты ?) магнитотвёрдые материалы Вопрос id:1276929 Показание электромагнитного амперметра, при u = 100 sinwt - 100 sin(3wt + 60o) В, wL = 10 Ом, = 30 Ом, равно?) 10 А ?) 8 А ?) 5 А ?) 5 АВопрос id:1276930 Постоянные магниты изготавливают из: ?) магнитодиэлектриков ?) ферритов ?) магнитотвёрдых материалов ?) магнитомягких материалов Вопрос id:1276932 Самоиндукция: ?) магнитный момент единицы объёма вещества ?) алгебраическая сумма потоков, пронизывающих отдельные витки обмотки ?) векторная величина, определяемая по силовому воздействию магнитного поля на электрический ток ?) явление наведения ЭДС в каком - либо контуре при изменении тока, протекающего по этому же контуру Вопрос id:1276933 Связь между векторами намагниченности, индукции и напряженности магнитного поля имеет вид ?) ![]() ?) ![]() ?) ![]() ?) ![]() Вопрос id:1276934 Сердечники у трансформаторов изготавливают из: ?) магнитомягких материалов ?) магнитотвёрдьк материалов ?) магнитодиэлектриков ?) ферритов Вопрос id:1276935 Схема соединения двух индуктивно связанных катушек, при их эквивалентной индуктивности Lэ = L1 + L2 -2M, будет следующей ?) ![]() ?) ![]() ?) ![]() ?) ![]() |
Copyright tests.ithead.ru 2013-2026


sinwt; R = 10 Ом;
= wL, то показание амперметра электромагнитной системы будет равно 



sinwt + 5
sin3wt. Амплитуда первой гармоники напряжения на этой катушке больше амплитуды третьей гармоники в
sinwt + U3
sin(3wt + j). При изменении фазового угла j от 0 до 90o при неизменных параметрах цепи



sinwt + 3
sin3wt, равен 



sin(wt + 30о)В. Показание вольтметра электродинамической системы, подключенного к этому участку цепи, равно
sinwt А. Амперметр электромагнитной системы, включенный в эту ветвь, показывает











sinwt - 100
sin(3wt + 60o) В, wL = 10 Ом,
= 30 Ом, равно
А






