Тесты онлайн, бесплатный конструктор тестов. Психологические тестирования, тесты на проверку знаний.
Список вопросов базы знанийЭлектротехника и электроникаВопрос id:1278886 Явление передачи сигнала из выходной цепи во входную называется ?) статическим режимом работы усилительных каскадов ?) согласованием потенциальных уровней источника сигнала и входа усилителя ?) обратной связью ?) гальванической связью между каскадами усилителей Вопрос id:1278887 На рисунке изображена схема
?) мультиплексора ?) счетчика ?) дешифратора ?) полусумматора Вопрос id:1278888 На рисунке изображена схема
?) мультиплексора ?) полусумматора ?) дешифратора ?) счетчика Вопрос id:1278889 На рисунке изображена схема
?) Хронируемого RS-триггера ?) D-триггера ?) T-триггера ?) RS-триггера Вопрос id:1278890 На рисунке изображена схема
?) T-триггера ?) RS-триггера ?) Хронируемого RS-триггера ?) JK-триггера Вопрос id:1278891 На рисунке изображена схема
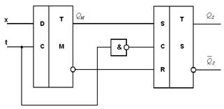
?) RS-триггера ?) Хронируемого RS-триггера ?) T-триггера ?) D-триггера Вопрос id:1278892 На рисунке изображена схема
?) хронируемого RS-триггера ?) двухступенчатого D-триггера ?) двухступенчатого RS-триггера ?) JK-триггера Вопрос id:1278893 На рисунке изображена схема
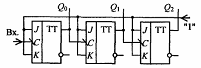
?) параллельного регистра ?) суммирующего счетчика ?) сдвигового регистра ?) полусумматора Вопрос id:1278894 На рисунке изображена схема
?) сдвигового регистра ?) полусумматора ?) параллельного регистра ?) суммирующего счетчика Вопрос id:1278895 На рисунке изображена схема
?) полусумматора ?) параллельного регистра ?) сдвигового регистра ?) суммирующего счетчика Вопрос id:1278898 Аналоговый сигнал - это сигнал, принимающий ?) бесконечное число значений и заданный в непрерывном времени ?) конечное число значений и заданный в дискретном времени ?) бесконечное число значений и заданный в дискретном времени ?) конечное число значений, заданный в дискретном времени и представленный в виде цифровых кодов Вопрос id:1278899 АЦП параллельного типа - это АЦП, в котором ?) преобразуемый сигнал за один такт сравнивается с полной шкалой эталонных значений ?) за один такт преобразования определяется одна цифра кодовой комбинации ?) за один такт преобразования определяется несколько разрядов кодовой комбинации ?) преобразуемая величина сравнивается с непрерывно возрастающим ступенчатым эталонным напряжением Вопрос id:1278900 АЦП последовательно-параллельного типа - это АЦП, в котором ?) преобразуемая величина сравнивается с непрерывно возрастающим ступенчатым эталонным напряжением ?) за один такт преобразования определяется несколько разрядов кодовой комбинации ?) за один такт преобразования определяется одна цифра кодовой комбинации ?) преобразуемый сигнал за один такт сравнивается с полной шкалой эталонных значений Вопрос id:1278901 АЦП последовательного типа - это АЦП, в котором ?) за один такт преобразования определяется одна цифра кодовой комбинации ?) преобразуемый сигнал за один такт сравнивается с полной шкалой эталонных значений ?) преобразуемая величина сравнивается с непрерывно возрастающим ступенчатым эталонным напряжением ?) за один такт преобразования определяется несколько разрядов кодовой комбинации Вопрос id:1278902 АЦП со счетчиком номеров уровней сигнала - это АЦП, в котором ?) преобразуемый сигнал за один такт сравнивается с полной шкалой эталонных значений ?) за один такт преобразования определяется одна цифра кодовой комбинации ?) преобразуемая величина сравнивается с непрерывно возрастающим ступенчатым эталонным напряжением ?) за один такт преобразования определяется несколько разрядов кодовой комбинации Вопрос id:1278904 Выполняет суммирование по модулю двух импульсов на своем информационном входе ?) RS-триггер ?) JK-триггер ?) D-триггер ?) Т-триггер Вопрос id:1278905 Дискретный сигнал - это сигнал, принимающий ?) бесконечное число значений и заданный в непрерывном времени ?) конечное число значений, заданный в дискретном времени и представленный в виде цифровых кодов ?) конечное число значений и заданный в дискретном времени ?) бесконечное число значений и заданный в дискретном времени Вопрос id:1278906 Замкнутые системы автоматического регулирования - это ?) вторичные источники питания ?) параметрические стабилизаторы ?) управляемые выпрямители ?) компенсационные стабилизаторы Вопрос id:1278907 Идеальный операционный усилитель - операционный усилитель, имеющий ?) входное сопротивление Rвх=0 ?) коэффициент усиления К=4 ?) входное сопротивление Rвх=4 ?) выходное сопротивление Rвых=0 Вопрос id:1278908 К основным параметрам ЦАП относятся ?) дрейф нуля ?) разрешающая способность ?) время установления ?) чувствительность Вопрос id:1278909 Кольцевой счетчик - это ?) цифровой узел, функцией которого является фиксация многоразрядного двоичного кода и выполнение некоторых преобразований над этим кодом ?) сумматор, в котором цифры переноса формируются последовательно, распространяясь от младших разрядов к старшим ?) комбинационная схема, реализующая арифметическое сложение двоичных чисел ?) сдвиговый регистр, у которого выход триггера самого старшего разряда соединен со входом триггера самого младшего разряда, и в любой момент времени только в одном триггере регистра записана единица Вопрос id:1278910 Одно из основных состояний, присущих работе транзисторного ключа, - это ?) инверсное пассивное ?) замкнутое - режим отсечки транзистора ?) разомкнутое - режимом насыщения транзистора ?) разомкнутое - режим отсечки транзистора Вопрос id:1278911 Операционный усилитель - это ?) микроэлектронное устройство, пропускающее колебания в заданном интервале частот ?) усилитель постоянного тока с дифференциальным входом, выполненный по интегральной технологии ?) микроэлектронное устройство, преобразующее параметры сигналов: частоты, фазы, длительности, мощности и т.д. ?) микроэлектронное устройство, предназначенное для создания электрических колебаний заданной формы и частоты Вопрос id:1278912 Основное назначение триггера - это ?) преобразование одной или несколько логических единиц, поступивших на входы, в двоичный код на выходе ?) преобразование нескольких информационных каналов ?) арифметическое сложение двух двоичных чисел ?) хранение двоичной информации Вопрос id:1278913 Отношение относительного изменения напряжения на входе к соответствующему относительному изменению напряжения на выходе - это ?) коэффициент обратной связи ?) коэффициент стабилизации стабилизатора ?) амплитудной характеристикой усилителя ?) внешняя характеристика выпрямителя Вопрос id:1278914 Параметры, определяющие характеристики электронных ключей - это ?) быстродействие ?) сдвиг фазы входного напряжения ?) пороговое напряжение ?) входное сопротивление Вопрос id:1278915 Параметры, определяющие характеристики электронных ключей, - это ?) входное сопротивление ?) выходное сопротивление ?) токи утечки в закрытом состоянии ?) чувствительность Вопрос id:1278916 Параметры, определяющие характеристики электронных ключей, - это ?) падение напряжения на ключе в открытом состоянии ?) помехоустойчивость ?) сдвиг фазы входного напряжения ?) выходное сопротивление Вопрос id:1278917 Переходная характеристика усилителя - это зависимость ?) выходного сигнала (тока, напряжения) от времени при скачкообразном входном воздействии ?) угла сдвига фаз между входным и выходным напряжениями от частоты ?) модуля коэффициента усиления от частоты в логарифмическом масштабе ?) модуля коэффициента усиления от частоты Вопрос id:1278919 Реальный операционный усилитель - это усилитель ?) с большим коэффициентом усиления ?) с непосредственными связями ?) преобразующий параметры сигналов: частоты, фазы, длительности ?) применяемый в качестве активного элемента в схемах с обратными связями Вопрос id:1278920 Регистр - это ?) комбинационная схема, обеспечивающая подачу на входы бистабильной ячейки необходимых управляющих сигналов ?) цифровой узел, функцией которого является фиксация многоразрядного двоичного кода и выполнение некоторых преобразований над этим кодом ?) цифровое устройство, логическое состояние которого определяется последовательностью поступления входных сигналов ?) ИС универсального назначения, способная выполнять как арифметические операции, так и поразрядные логические операции Вопрос id:1278921 Режим А - это режим работы активного прибора, при котором ?) ток через него протекает в течении половины периода входного сигнала ?) ток в выходной цепи протекает в течении всего периода входного сигнала ?) ток через него протекает в течение промежутка времени, меньшего половины периода входного сигнала ?) активный прибор находится только в двух состояниях: или полностью закрыт и его электрическое сопротивление велико, или полностью открыт и имеет малое электрическое сопротивление Вопрос id:1278922 Режим В - это режим работы активного прибора, при котором ?) ток через него протекает в течении половины периода входного сигнала ?) ток через него протекает в течение промежутка времени, меньшего половины периода входного сигнала ?) ток в выходной цепи протекает в течении всего периода входного сигнала ?) активный прибор находится только в двух состояниях: или полностью закрыт и его электрическое сопротивление велико, или полностью открыт и имеет малое электрическое сопротивление Вопрос id:1278923 Режим С - это режим работы активного прибора, при котором ?) ток через него протекает в течении половины периода входного сигнала ?) ток через него протекает в течение промежутка времени, меньшего половины периода входного сигнала ?) активный прибор находится только в двух состояниях: или полностью закрыт и его электрическое сопротивление велико, или полностью открыт и имеет малое электрическое сопротивление ?) ток в выходной цепи протекает в течении всего периода входного сигнала Вопрос id:1278925 Синхронный триггер - это ?) триггер, реагирующий на информационные сигналы только при наличии разрешающего тактирующего импульса ?) ИС универсального назначения, способная выполнять как арифметические операции, так и поразрядные логические операции ?) триггер, на вход которого поступают извне управляющие сигналы ?) комбинационная схема, обеспечивающая подачу на входы бистабильной ячейки необходимых управляющих сигналов Вопрос id:1278926 Согласно теореме Котельникова, частота дискретизации должна быть1 ?) равна средней частоте сигнала ?) равна верхней частоте сигнала ?) в три-пять раз выше верхней частоты сигнала ?) в два раза выше верхней частоты сигнала Вопрос id:1278927 Схема управления триггером - это ?) комбинационная схема, обеспечивающая подачу на входы бистабильной ячейки необходимых управляющих сигналов ?) ИС универсального назначения, способная выполнять как арифметические операции, так и поразрядные логические операции ?) цифровой узел, функцией которого является фиксация многоразрядного двоичного кода и выполнение некоторых преобразований над этим кодом ?) цифровое устройство, логическое состояние которого определяется последовательностью поступления входных сигналов Вопрос id:1278928 Счетчики с исключением младших состояний - это счетчики ?) которые под действием счетного импульса переходят из состояния s(t) в (s(t) + 1)mod K состояние ?) начальное состояние которых отлично от нулевого ?) с произвольным коэффициентом пересчета, начальное состояние которых равно 0 ?) которые под действием счетного импульса переходят из состояния s(t) в (s(t) - 1)mod K состояние Вопрос id:1278929 Счетчики с исключением старших состояний - это счетчики ?) начальное состояние которых отлично от нулевого ?) с произвольным коэффициентом пересчета, начальное состояние которых равно 0 ?) которые под действием счетного импульса переходят из состояния s(t) в (s(t) - 1)mod K состояние ?) которые под действием счетного импульса переходят из состояния s(t) в (s(t) + 1)mod K состояние Вопрос id:1278930 Усилитель - это ?) микроэлектронное устройство, служащее для преобразования электрических колебаний (выделение нужных составляющих АЧХ спектра сигналов) ?) микроэлектронное устройство, предназначенное для создания электрических колебаний заданной формы и частоты ?) микроэлектронное устройство, предназначенное для усиления сигналов в заданном диапазоне частот ?) микроэлектронное устройство, предназначенное для выделения из множества импульсов только тех, которые обладают заданными свойствами Вопрос id:1278931 Устройство с двумя устойчивыми состояниями - логический 0 и логическая 1, которое может переходить из одного состояния в другое под воздействием входных сигналов ?) мультиплексор ?) сумматор ?) триггер ?) шифратор Вопрос id:1278932 Цифровой сигнал - это сигнал, принимающий ?) конечное число значений, заданный в дискретном времени и представленный в виде цифровых кодов ?) бесконечное число значений и заданный в дискретном времени ?) конечное число значений и заданный в дискретном времени ?) бесконечное число значений и заданный в непрерывном времени Вопрос id:1278933 Этап квантования аналогового сигнала в АЦП, при котором осуществляется переход к ближайшему уровню квантования, - это ?) шаг квантования ?) усечение ?) округление ?) период дискретизации Вопрос id:1278934 Активным режим работы транзистора называют, когда ?) оба p-n-перехода смещены в обратном направлении ?) коллектор выполняет роль эмиттера, а эмиттер - роль коллектора ?) в прямом направлении включен эмиттерный переход, а коллекторный - в обратном ?) один переход смещен в прямом направлении, а другой - в обратном Вопрос id:1278935 Аналоговые интегральные схемы предназначены для ?) для задержки сигналов ?) программирования и хранения цифровых массивов ?) обработки сигналов, заданных в виде непрерывной функции ?) обработки сигналов, заданных в виде дискретных функций Вопрос id:1278936 База биполярного транзистора - это ?) средняя область в p-n-p структуре, характеризуемая наименьшей концентрацией примесей ?) крайняя область в p-n-p структуре, характеризуемая наименьшей концентрацией примесей ?) крайняя область в p-n-p структуре биполярного транзистора, используемая для инжекции носителей ?) крайняя область в p-n-p структуре биполярного транзистора, используемая для экстракции Вопрос id:1278937 Базой называется ?) электронно-дырочный переход ?) область, в которую инжектируются носители заряда ?) контакт металл - полупроводник ?) область, из которой инжектируются носители заряда Вопрос id:1278938 Биполярным транзистором называют полупроводниковый прибор ?) с двумя взаимодействующими электрическими переходами и тремя (или более) выводами ?) сконструированный на основе вырожденного полупроводника ?) с электрическим переходом и двумя (или более) выводами ?) барьерная емкость р-n перехода которых изменяется при изменении обратного напряжения Вопрос id:1278939 В p-n переходе при обратном включении ?) ток через p-n переход мал ?) потенциальный барьер увеличится на напряжение U ?) дрейфовый поток уменьшается ?) потенциальный барьер уменьшается на величину напряжения U Вопрос id:1278940 В активном режиме зависимость тока коллектора от тока эмиттера ?) обратно пропорциональна ?) практически линейна ?) квадратичная ?) гиперболическая |
Copyright tests.ithead.ru 2013-2026








