Тесты онлайн, бесплатный конструктор тестов. Психологические тестирования, тесты на проверку знаний.
Список вопросов базы знанийЭлектротехника и электроникаВопрос id:1278174 Эквивалентное сопротивление ветви цепи с параллельно включенными сопротивлениями R2 и R3 равно
?) ![]() ?) ![]() ?) ![]() ?) ![]() Вопрос id:1278175 Эквивалентное сопротивление относительно источника ЭДС для данной схемы
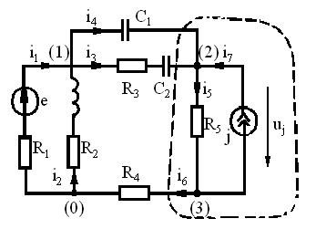
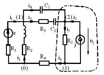
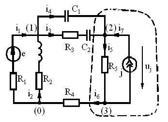
?) ![]() ?) ![]() ?) ![]() ?) ![]() Вопрос id:1278176 В результате сложения двух синусоидальных величин различной частоты получается ?) синусоидальная величина, амплитуда которой равна геометрической сумме амплитуд слагаемых величин ?) несинусоидальная величина, амплитуда которой равна геометрической сумме амплитуд слагаемых величин ?) несинусоидальная величина ?) синусоидальная величина Вопрос id:1278177 d=I/ICP - это коэффициент ?) формы ?) амплитуды ?) гармоник ?) искажения Вопрос id:1278178 d=I0/I - это коэффициент ?) искажения ?) формы ?) амплитуды ?) гармоник Вопрос id:1278179 d=Imax/I - это коэффициент ?) искажения ?) гармоник ?) амплитуды ?) формы Вопрос id:1278180 Активная мощность P при несинусоидальном токе равна ?) ![]() ?) ![]() ?) ![]() ?) ![]() Вопрос id:1278181 Активная мощность трехфазной цепи P равна ?) ![]() ?) ![]() ?) ![]() ?) ![]() Вопрос id:1278182 Активная мощность цепи P равна ?) ![]() ?) ![]() ?) ![]() ?) ![]() Вопрос id:1278183 Активное сопротивление резистора ?) равно электрическому сопротивлению резистора ?) больше его электрического сопротивления ?) равно полному сопротивлению резистора ?) меньше его электрического сопротивления Вопрос id:1278184 В группу неуправляемых нелинейных резисторов входят ?) лампы накаливания ?) тиристоры ?) фоторезисторы ?) полупроводниковые выпрямители Вопрос id:1278185 В группу неуправляемых нелинейных резисторов входят ?) стабилитроны ?) полупроводниковые выпрямители ?) фотодиоды ?) транзисторы Вопрос id:1278186 В группу управляемых нелинейных резисторов входят ?) транзисторы ?) фотодиоды ?) трёхэлектродные лампы ?) лампы накаливания Вопрос id:1278187 В группу управляемых нелинейных резисторов входят ?) тиристоры ?) фоторизисторы ?) стабилитроны ?) терморезисторы Вопрос id:1278188 В параллельных ветвях с резисторами ?) падения напряжения обратно пропорциональны сопротивлениям ?) токи обратно пропорциональны сопротивлениям ?) падения напряжения пропорциональны значениям сопротивлений ?) токи пропорциональны значениям сопротивлений Вопрос id:1278189 В цепи может установиться режим резонанса напряжений, если ?) выходная реактивная проводимость цепи равна нулю ?) входное реактивное сопротивление цепи равно нулю ?) ветви r1L и r2C соединены параллельно ?) ветви r1L и r2C соединены последовательно Вопрос id:1278190 В цепи может установиться режим резонанса токов, если ?) ветви rL и rC соединены последовательно ?) входное реактивное сопротивление цепи равно нулю ?) выходная реактивная проводимость цепи равна нулю ?) ветви r1L и r2C соединены параллельно Вопрос id:1278191 Вектор напряженности поля индукции ?) перпендикулярен оси провода и магнитным линиям ?) направлен вдоль оси провода и перпендикулярно вектору скорости ?) совпадает с направлением вектора скорости и перпендикулярен магнитным линиям ?) направлен вдоль магнитных линий и перпендикулярно вектору скорости Вопрос id:1278192 Величина , где L-индуктивность, а C- ёмкость, может носить названия?) затухание контура ?) характеристическое сопротивление контура ?) добротность контура ?) волновое сопротивление контура Вопрос id:1278193 Величина , где Q- добротность контура, называется ___ контура?) затуханием ?) волновым сопротивлением ?) характеристическим сопротивлением ?) сопротивлением Вопрос id:1278194 Внешняя характеристика резистивного элемента определяется ?) вторым законом Кирхгофа ?) законом Ома ?) законом сохранения энергии ?) первым законом Кирхгофа Вопрос id:1278195 Второй закон Кирхгофа ?) вытекает из принципа непрерывности электрического тока ?) вытекает из закона сохранения энергии ?) применим к контурам электрических схем ?) применим к узлам электрических схем Вопрос id:1278196 Второй закон Кирхгофа в комплексной форме - это ?) ![]() ?) ![]() ?) ![]() ?) ![]() Вопрос id:1278197 Второй закон Кирхгофа можно сформулировать двояко ?) алгебраическая сумма падений напряжения в любом замкнутом контуре равна алгебраической сумме ЭДС, входящих в контур ?) алгебраическая сумма токов, подтекающих к какому-либо узлу схемы, равна нулю ?) алгебраическая сумма напряжений вдоль любого замкнутого контура равна нулю ?) сумма подтекающих к любому узлу токов равна сумме утекающих от этого узла токов Вопрос id:1278198 Второй шаг, при расчёте методом эквивалентного генератора, заключается в том, что ?) путем алгебраического суммирования находят искомые токи рассчитываемой схемы ?) рассчитывают ток ?) находят напряжение на зажимах разомкнутой ветви ab ?) определяют входное сопротивление всей схемы по отношению к зажимам ab при закороченных источниках ЭДС и разомкнутых ветвях с источниками тока Вопрос id:1278199 Графическое изображение электрической цепи, содержащее условные обозначения ее элементов, - это ?) схема замещения электрической цепи ?) схема электрической цепи ?) структурная схема электрической цепи ?) ветвь Вопрос id:1278200 Действующее значение несинусоидального напряжения U равно ?) ![]() ?) ![]() ?) ![]() ?) ![]() Вопрос id:1278201 Действующее значение переменного тока ?) Определяется количеством электричества, проходящим через поперечное сечение проводника за единицу времени ?) Равно значению такого эквивалентного постоянного тока, который, проходя по цепи с тем же сопротивлением, что и переменный ток, выделяет за период то же количество тепла ?) Равно такому постоянному току, при котором в течение полупериода проходит такой же заряд, что и при переменном токе ?) Равно работе, совершаемой силами индукции при переносе единицы заряда на участке Вопрос id:1278202 Действующее значение синусоидального тока I равно ?) ![]() ?) ![]() ?) ![]() ?) ![]() Вопрос id:1278203 Для второго контура данной схемы справедливо ![]() ?) uR1+uR3 + uR2=e ?) uR1+uR3 + uR2=0 ?) uR1 +uL +uC+uR3 + uR2=e ?) uR2+uL+uC+uR3=0 Вопрос id:1278204 Для первого контура данной схемы справедливо ![]() ?) uR1+uL+uR2=e ?) uR1+uR3 + uR2=e ?) uR1+uR3 + uR2=0 ?) uR1+uC+uR3=e Вопрос id:1278205 Для узла (0) данной цепи ![]() ?) i6-i2=0 ?) i1+i2+i3-i6-i5-i7=0 ?) i2+i1-i6=0 ?) i1-i2+i6=0 Вопрос id:1278206 Для узла (1) данной цепи ![]() ?) -i1 +i3+i4=0 ?) -i1-i2+i3+i4=0 ?) -i1 +i3+i4- i7=0 ?) -i1 + i2-i3-i4=0 Вопрос id:1278207 Для узла (2) данной цепи ![]() ?) -i1 + i2-i3-i4=0 ?) -i3-i4-i7+i5=0 ?) -i5-i6- i2+i7=0 ?) -i1 +i3+i4- i7=0 Вопрос id:1278208 Для узла (3) данной цепи ![]() ?) i5-i6-i2=0 ?) -i5+i6+i7=0 ?) i5-i6=0 ?) -i5-i6- i2+i7=0 Вопрос id:1278209 Для узла b схемы ![]() ?) ![]() ?) ![]() ?) ![]() ?) ![]() Вопрос id:1278210 Для узла схемы ![]() ?) ![]() ?) ![]() ?) ![]() ?) ![]() Вопрос id:1278211 Для цепи с емкостью закон Ома применим только для ?) действующих значений тока и напряжения ?) мгновенных и действующих значений тока и напряжения ?) амплитудных значений тока и напряжения ?) амплитудных и действующих значений тока и напряжения Вопрос id:1278212 Для цепи с емкостью закон Ома применим только для ___ значений тока и напряжения ?) действующих ?) амплитудных ?) амплитудных и мгновенных ?) действующих и мгновенных Вопрос id:1278213 Для цепи с индуктивностью закон Ома можно применять только для ?) мгновенных значений тока и напряжения ?) действующих и мгновенных значений тока и напряжения ?) амплитудных и мгновенных значений тока и напряжения ?) амплитудных и действующих значений тока и напряжения Вопрос id:1278214 Единица измерения емкости - это ?) фарад ?) кулон ?) ампер ?) генри Вопрос id:1278215 Единица измерения индуктивности - это ?) генри ?) кулон ?) фарад ?) ампер Вопрос id:1278216 Единицей силы тока является ?) фарад ?) ампер ?) вольт ?) кулон Вопрос id:1278217 Емкостное сопротивление ?) пропорционально емкости ?) пропорционально частоте ?) обратно пропорционально емкости ?) обратно пропорционально частоте Вопрос id:1278218 Емкостное сопротивление xC, если f -частота переменного тока, а w - угловая частота, равно ?) ![]() ?) ![]() ?) ![]() ?) ![]() Вопрос id:1278219 Емкостным называют такой схемный элемент, в котором происходит только ?) накопление магнитной энергии и преобразование электрической энергии в тепло ?) необратимое преобразование электромагнитной энергии в тепло ?) накопление магнитной энергии ?) накопление электрической энергии Вопрос id:1278220 Если , а , то?) ![]() ?) ![]() ?) ![]() ?) ![]() Вопрос id:1278221 Если , то комплекс напряжения равен?) ![]() ?) ![]() ?) ![]() ?) ![]() Вопрос id:1278222 Если для фазы А справедливо , то для фазы B?) ![]() ?) ![]() ?) ![]() ?) ![]() Вопрос id:1278223 Если для цепи характерно, что xL > xС, то ?) реактивная мощность отрицательна ?) активная мощность положительна, а реактивная мощность отрицательна ?) активная мощность отрицательна ?) реактивная мощность положительна |
Copyright tests.ithead.ru 2013-2026






















, где L-индуктивность, а C- ёмкость, может носить названия
, где Q- добротность контура, называется ___ контура































, а
, то



, то комплекс напряжения
равен



, то для фазы B


