Тесты онлайн, бесплатный конструктор тестов. Психологические тестирования, тесты на проверку знаний.
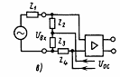
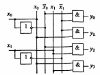
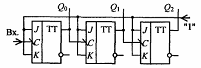
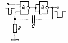
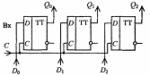
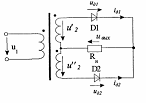
Список вопросов базы знанийЭлектротехника и электроникаВопрос id:1277087 Дешифратор с n входами имеет максимальное число выходов ?) n2 ?) n! ?) 2n ?) 2n-1 Вопрос id:1277088 Дешифратор: ?) преобразователь совокупности входных логических уровней в выходное слово без запоминания ?) устройство, предназначенное для генерирования, формирования, преобразования и неискажённой передачи импульсных сигналов ?) комбинационная схема, у которой логическая единица на одном выходе при нулевых сигналах на остальных выходах соответствует определённому коду на входе ?) схема, содержащая электронные ключи и выполняющая основные логические операции Вопрос id:1277089 Для данной схемы выходное напряжение определяется формулой ![]() ?) ![]() ?) ![]() ?) ![]() ?) ![]() Вопрос id:1277090 Для многокаскадных усилителей коэффициент усиления равен ?) произведению коэффициентов усиления отдельных каскадов ?) коэффициенту усиления последнего каскада ?) сумме коэффициентов усиления отдельных каскадов ?) коэффициенту усиления первого каскада Вопрос id:1277091 Для усиления разности двух входных напряжений с заданным коэффициентом усиления предназначены усилители ?) интеграторы ?) неинвертирующие ?) перемножители ?) дифференциальные Вопрос id:1277092 Если для изменения состояния триггера используется синхронизирующий сигнал, то триггер называется: ?) синхронным ?) тактовым ?) асинхронным ?) импульсным Вопрос id:1277093 Если интервал между импульсами не превышает длительность процессов установления, то сигнал называют ?) дискретным ?) видеоимпульсом ?) несинусоидальным ?) радиоимпульсом Вопрос id:1277094 Если сигнал ОС вычитается из выходного сигнала, то ОС называется ?) последовательной ?) параллельной ?) отрицательной ?) положительной Вопрос id:1277095 Если сигнал ОС суммируется с выходным сигналом, то ОС называется ?) параллельной ?) положительной ?) последовательной ?) отрицательной Вопрос id:1277096 Из перечисленного при использовании биполярных транзисторов различают усилители с: 1) общим эмиттером; 2) отключенным эмиттером; 3) общей базой; 4) общим коллектором; 5) отключенным коллектором ?) 4, 5 ?) 1, 3, 4 ?) 1, 2 ?) 1, 4 Вопрос id:1277097 Из перечисленного программируемые логические матрицы обеспечивают возможность программирования матриц: 1) НЕ; 2) И; 3) И-НЕ; 4) ИЛИ ?) 2, 4 ?) 1, 3 ?) 1, 2 ?) 1, 2, 4 Вопрос id:1277098 Импульсное устройство: ?) устройство, предназначенное для коммутации электрических сигналов ?) устройство, предназначенное для генерирования, формирования, преобразования и неискажённой передачи импульсных сигналов ?) преобразователь совокупности входных логических уровней в выходное слово без запоминания ?) схема, содержащая электронные ключи и выполняющая основные логические операции Вопрос id:1277099 Импульсный режим работы устройств информативной электроники имеет преимущества: 1) повышение помехоустойчивости; 2) простота реализации; 3) представление информации в цифровой форме; 4) пониженное потребление мощности - из перечисленного ?) 1, 3, 4 ?) 1, 2, 3 ?) 2, 3, 4 ?) 1, 2, 4 Вопрос id:1277100 Интервал времени от подачи кода на вход до момента, когда выходной сигнал войдет в заданные пределы, называется временем ?) переключения ?) доступа ?) установления ?) срабатывания Вопрос id:1277103 К основным параметрам ЦАП относятся: 1) разрешающая способность; 2) дрейф нуля; 3) время установления ; 4) погрешность нелинейности; 5) чувствительность - из перечисленного ?) 1, 3, 5 ?) 1, 3, 4 ?) 1, 2, 4 ?) 2, 3, 5 Вопрос id:1277104 Каждый последующий триггер управляет входным сигналом предыдущего в счетчике ?) связанном ?) последовательном ?) многоступенчатом ?) параллельном Вопрос id:1277105 Кодированием называется процесс преобразования ?) аналогового сигнала в цифровой сигнал ?) дискретного сообщения в цифровой сигнал ?) цифрового сигнала в аналоговый сигнал ?) аналогового сигнала в дискретное сообщение Вопрос id:1277106 Комбинационная логическая схема: ?) схема, содержащая электронные ключи и выполняющая основные логические операции ?) устройство, предназначенное для генерирования, формирования, преобразования и неискажённой передачи импульсных сигналов ?) преобразователь совокупности входных логических уровней в выходное слово без запоминания ?) устройство, предназначенное для коммутации электрических сигналов Вопрос id:1277107 Коэффициент нелинейных искажений усилителя называется ?) полосой пропускания ?) апертурной ошибкой ?) дрейфом нуля ?) коэффициентом гармоник Вопрос id:1277108 Коэффициент усиления напряжения идеального ОУ ?) зависит от входного напряжения ?) отрицателен ?) неограниченно велик ?) положителен Вопрос id:1277109 Коэффициент усиления ОУ - это отношение изменения выходного напряжения к ?) входному напряжению ?) изменению входного тока ?) изменению входного напряжения ?) выходному напряжению Вопрос id:1277110 Коэффициент усиления увеличивается при ОС ?) отрицательной ?) последовательной ?) параллельной ?) положительной Вопрос id:1277111 Коэффициент усиления уменьшается при ОС ?) параллельной ?) последовательной ?) отрицательной ?) положительной Вопрос id:1277112 Максимальное число состояний счетчика называют ?) модулем ?) динамическим диапазоном ?) пространством значений ?) коэффициентом Вопрос id:1277113 Минимальный перепад сигнала, в результате действия которого происходит бесперебойное переключение ключа, называется ?) пороговым напряжением ?) помехоустойчивостью ?) порогом срабатывания ?) чувствительностью Вопрос id:1277114 Мультиплексор: ?) устройство, предназначенное для коммутации электрических сигналов ?) преобразователь совокупности входных логических уровней в выходное слово без запоминания ?) комбинационная схема, предназначенная для преобразования нескольких информационных каналов последовательно в один информационный канал ?) схема, у которой логическая единица на одном выходе при нулевых сигналах на остальных выходах соответствует определённому коду на входе Вопрос id:1277115 На рисунке изображена обратная связь ![]() ?) комбинированная ?) по напряжению ?) обратная связь отсутствует ?) по току Вопрос id:1277116 На рисунке изображена обратная связь ![]() ?) по напряжению ?) комбинированная ?) по току ?) обратная связь отсутствует Вопрос id:1277117 На рисунке изображена обратная связь ![]() ?) комбинированная ?) по току ?) обратная связь отсутствует ?) по напряжению Вопрос id:1277118 На рисунке изображена обратная связь по способу введения во входную цепь сигнала обратной связи ![]() ?) последовательная ?) параллельная ?) смешанная ?) обратная связь отсутствует Вопрос id:1277119 На рисунке изображена обратная связь по способу введения во входную цепь сигнала обратной связи ![]() ?) обратная связь отсутствует ?) параллельная ?) последовательная ?) смешанная Вопрос id:1277120 На рисунке изображена обратная связь по способу введения во входную цепь сигнала обратной связи ![]() ?) обратная связь отсутствует ?) параллельная ?) смешанная ?) последовательная Вопрос id:1277121 На рисунке изображена схема ![]() ?) однотактного усилителя мощности ?) однотактного усилителя постоянного тока ?) двухтактного усилителя мощности ?) двухтактного усилителя постоянного тока Вопрос id:1277122 На рисунке изображена схема ![]() ?) однотактного усилителя мощности ?) выпрямителя ?) однотактного усилителя постоянного тока ?) ключа Вопрос id:1277123 На рисунке изображена схема ![]() ?) полусумматора ?) счетчика ?) мультиплексора ?) дешифратора Вопрос id:1277124 На рисунке изображена схема ![]() ?) полусумматора ?) дешифратора ?) счетчика ?) мультиплексора Вопрос id:1277125 На рисунке изображена схема ![]() ?) однотактного усилителя мощности ?) однотактного усилителя постоянного тока ?) двухтактного усилителя постоянного тока ?) двухтактного усилителя мощности Вопрос id:1277126 На рисунке изображена схема ![]() ?) АЦП с параллельным преобразованием ?) ЦАП с суммированием весовых токов ?) АЦП с двойным интегрированием ?) ЦАП на основе резистивной матрицы R-2R Вопрос id:1277127 На рисунке изображена схема ![]() ?) выпрямителя ?) сглаживающего фильтра ?) ключа ?) стабилизатора Вопрос id:1277128 На рисунке изображена схема ![]() ?) параметрического стабилизатора ?) выпрямителя ?) сглаживающего фильтра ?) компенсационного стабилизатора Вопрос id:1277129 На рисунке изображена схема ![]() ?) полусумматора ?) суммирующе ?) сдвигового регистра ?) суммирующего счетчика Вопрос id:1277130 На рисунке изображена схема ![]() ?) параллельного регистра ?) сдвигового регистра ?) полусумматора ?) суммирующего счетчика Вопрос id:1277131 На рисунке изображена схема ![]() ?) ключа ?) формирователя относительно длительных импульсов ?) формирователя коротких импульсов ?) триггера Вопрос id:1277132 На рисунке изображена схема ![]() ?) ключа ?) триггера ?) формирователя относительно длительных импульсов ?) формирователя коротких импульсов Вопрос id:1277133 На рисунке изображена схема ![]() ?) суммирующего счетчика ?) параллельного регистра ?) полусумматора ?) сдвигового регистра Вопрос id:1277134 На рисунке изображена схема ![]() ?) полусумматора ?) формирователя импульсов ?) дешифратора ?) мультиплексора Вопрос id:1277135 На рисунке изображена схема АЦП ![]() ?) со следящей связью ?) D) с двойным интегрированием ?) время-импульсного преобразования ?) C) с параллельным преобразованием Вопрос id:1277136 На рисунке изображена схема выпрямителя ![]() ?) трехфазного с нулевым выводом ?) однофазного однополупериодного ?) двухполупериодного со средней точкой ?) однофазного мостового Вопрос id:1277137 На рисунке изображена схема выпрямителя ![]() ?) трехфазного с нулевым выводом ?) однофазного мостового ?) однофазного однополупериодного ?) двухполупериодного со средней точкой Вопрос id:1277138 На рисунке изображена схема усилителя с ![]() ?) общим коллектором и общим эмиттером ?) общим эмиттером ?) общим коллектором ?) общей базой |
Copyright tests.ithead.ru 2013-2026




























